Shuddering landing gear

edited December 2024 in General Discussion

Good afternoon everyone and welcome back to my mysterious bag of problems after my annual this year. So I wanted to do a gear swing before I took my Piper Seneca II up for a test flight and guessss what? Yes another problem. The A&P called me and said all of your landing gears are shuddering on the way down.. they sent me a video and said they are not sure what it could be. I have a video I am going to try and download for y’all to watch and please chime in with any ideas for me to try starting with the cheapest first. The landing gear goes up just fine and stays, when going down it shudders terribly as it comes down as if it’s getting binded up. We brought the gear up and turned off everything and then pulled the emergency gear and the gear dropped as it should very smooth and fast and locked into place, so we kicked out the idea of it binding up. I have heard from other A&P’s that it very possible to be air in the lines. Let me know whatcha think!!!


Comments

  • When you open the emergency bypass valve the pressure on both sides of your actuators maintains a constant, equalized pressure, and your gear drops smoothly, primarily powered by the weight of the landing gear.

    The stuttering is indicative of a situation where a constant pressure isn't being maintained across your actuators, and I'd be willing to bet this is because one of the valves on the high side in your power pack is sticking. You can verify my theory with a pair of gauges on the high/low sides of the power pack. If you have a dual-port differential gauge (like we use for setting up TCM fuel injection) it's preferable because it's far more sensitive to small fluctuations. You will probably also observe pressure gauge fluctuations during retraction, but because the pressure delta is so large (1000 PSI-ish) those little fluctuations won't cause chattering.

    Once you've verified the cause, corrective action is up to you and your IA. The system is designed to be failsafe, and you've already proven the freefall works properly, so those of the condition-based maintenance philosophy might wait for a hard failure. If you do elect to replace or overhaul the power pack, I strongly suggest performing the bench check procedure in the service manual prior to installation. There are far too many parts being delivered to A&P shops these days that aren't fully operational, and this wastes a lot of the A&Ps time.

    When was your power pack last overhauled?

  • Fone,

    While Seneca has some good troubleshooting information above I'm going to add one more observation something's going on with your nose gear The one short video shows that it's cocked at an angle as it's going into nose well and I have a suspicion it's cocked in the nose well jamming up as it's trying to come down and it's causing all the gear to stutter I would at first take a good look at the nose gear rigging and verify it's going in and out straight something's catching up or something's got severely cocked at an angle. That's what I'm seeing from your video. Carl

    50yrs A/P IA DAL A/C inspector. 172N Rotax IRMT 912/914

  • I like Carl's observation, and I'm guilty of not looking at your '9381 video.

    Since the pressure lines are plumbed in parallel, it would be straightforward to test his theory by shunting the nose gear lines (with the nose gear in the down position) and cycling the mains independently. If that fixes the stutter, great, you can move on to troubleshooting the nose gear rotation-in-transit problem Carl noticed, with a reasonable expectation that will fix both problems. If not, you'll want to fix the stutter first.

    Should we put a wager on how this will turn out? : - )

  • The nose gear door links don't look correct. I think it is supposed to flare out at the door to give clearance. I think is is hanging up on this during retract and extension.


    Eric Panning
    1981 Seneca III
    Hillsboro, OR (KHIO)

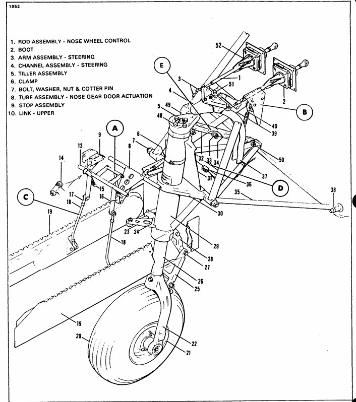
  • Help me understand this illustration please. It seems that this is showing in the up position. If this is in the up position then I see where the door links are curved and the curve is facing forward. Is this correct? Also I’ve looked up on YouTube of Seneca gear swings and almost all of them have that same nose gear turn right at the end..Why it would do that, I have no idea. I found it to be odd, like it’s a Piper Seneca thing. Other piper models don’t do that. If those door links are suppose to be facing forward, its looks to me that they are. I’ll be back at the plane on Monday afternoon to see if they are but yes it looks as if it is rubbing on the right side link.

  • Yeah make sure the nose gear centering system is in good shape they modified the centering channel to prevent the guide bearing from jumping out of the track which definitely will cause a problem in extension retraction. That might be part of what the stuttering I'm seeing on the nose gear is. The newer guide channel apparently is much thicker so make sure yours is not worn and the bearing is good and free as it slides in and out. Carl

    50yrs A/P IA DAL A/C inspector. 172N Rotax IRMT 912/914

  • I looked around to see if I have a good video of my Seneca nose gear in motion but I don't as I am usually the one in the cockpit while the mechanic is outside.

    I don't recall any twist motion at the end of retraction.

    I would suggest also pulling the nose bay baggage panels and having someone manually actuate the nose gear with the emergency gear extension open and the plane master off/no power.

    Should be able to see exactly what is going on this way. Main gears too.

    The centering track Carl is referring to is best seen with the nose baggage panels off

    Eric Panning
    1981 Seneca III
    Hillsboro, OR (KHIO)

  • Here is a better view of all the parts.


    Eric Panning
    1981 Seneca III
    Hillsboro, OR (KHIO)

  • This is a little bit of a long shot but checking make sure the fluid in your power pack does not have any air bubbles in it. Just to make sure there's no entrained air getting into the system. Carl

    50yrs A/P IA DAL A/C inspector. 172N Rotax IRMT 912/914

  • Seneca you have the right idea too I would try to isolate each gear by capping off the line at each actuator as you mentioned trying to figure out if I have a actuator issue , mechanical issue or an issue with valving and check valves in the pump.

    Carl

    50yrs A/P IA DAL A/C inspector. 172N Rotax IRMT 912/914

  • My service manual says to fill and purge the system. Is that the same as fill and bleed the system? Some of these A&P’s here says that this system is self bleeding. I really don’t understand that. Especially since my service manual says to purge the system. How exactly would I do that. Is it the same as bleeding a brake system?

  • If you have air in the lines eventually it all comes out. You don't need to bleed it as it "loops" vs one way like a brake system. You are still better off minimizing the amount of air in the system. There is one leg where it does dead end. If you mess with emergency gear valve/hoses then that leg can trap air and it will stay trapped. Once you have the whole system working fine follow the emergency gear drop instructions and this will push fresh fluid thru this loop too.

    The symptoms of air in the system are the gear retracts but then the pump turns off, gear starts to drop, pump comes on again, etc. As your system stands today it does not look like you have air in the system based on the gear behavior on retract.

    Any time you mess with the gear system I would recommend at least 10 swings AFTER everything is normal and then hang the gear up and see how long it takes for the gear pump to cycle to keep it up. Should be 5 min+. If it is less than 1 min you likely have an internal (or external leak) with the pump itself or the emergency gear valve as prime suspects.

    If you are doing lots of gear swings I would let it hang gear down for at least a couple minutes each swing so that the pump cools off a bit.

    Eric Panning
    1981 Seneca III
    Hillsboro, OR (KHIO)

  • Ok I have an answer for the nose gear turning just as it’s going inside the nose. So after I watched this gear work back and forth, I followed the ball that goes down the track and at the bottom of the track it makes a little crook in the last four inches of that track and it is suppose to do the little twist at the end. So the bottom of the track is #37 on this illustration. The ball is at the top of the strut right around the #4 on this illustration. You can actually see at #37 how the track makes a little jog. I am still troubleshooting the shuttering problem. Tomorrow we are removing the hyc5005 prestolite hydraulic pump and doing a bench test on it. If it’s good then we will do our best to purge the lines. If the pump is bad then I will purchase a brand new pump as an owner supplied part and install it under 21.9.

  • Fone, Make sure the nose wheel guide is in good shape I was just reading my current issue of light plane maintenance from 1987 and they were actually talking about those guides breaking and Piper coming out with a service letter on those to install the heavier wall ones apparently they crack up at the top and allows the roller to pop out which is going to give you a jambed nose gear.anyway. Just double-check and make sure that's all good.

    Carl

    50yrs A/P IA DAL A/C inspector. 172N Rotax IRMT 912/914

  • I don't think it was mention but make sure that the manual release valve is rigged correctly too. Carl

    50yrs A/P IA DAL A/C inspector. 172N Rotax IRMT 912/914

  • Sounds like some good progress. Will be curious to know the status on your pump.

  • Bench test came back and the pump is good on the high pressure and the low pressure. I don’t know why some people say that the lines cant be purged. I understand that the system is supposed to be a sealed system and that pump is self bleeding, and I may be waisting money on this, but I told them to please reinstall the pump and please purge the lines at each actuator. SO, just to be clear, all of the linkage has been inspected and there is no binding or hanging up on any gear. I personally ran my gear up and down 20 times allowing the pump to cool down with a 5 min cool off period between cycles. We have bench tested the hydraulic pump and it passed within the specs of the pump and piper. All I can see left to do is actually try to bleed the lines after installing the pump. Does anyone have any other suggestions? Maybe it could be an actuator ?

  • As I mentioned a couple posts back make sure the manual release valve is not bypassing and rig correctly and I also recommended isolating each gear actuator one at a time to see if you got one that's bypassing internally . You certainly have covered the obvious stuff. Carl

    50yrs A/P IA DAL A/C inspector. 172N Rotax IRMT 912/914

  • ok I will have them check the manual release valve for sure. And then isolate each actuator.

  • Hi All,

    Quick Comment on what I’ve seen and read here so far…

    Here is a short video of my Seneca’s last Retraction/Extension & Emergency Extension Checks during Annual. I see no “little jig” during the last moments of Retraction as the Gear goes into the Well. In the IPC I see the Track (#8) that Eric points out, and there is nothing in the Maintenance Manual pointing out anything other then a straight Retraction and Extension into the Nose Wheel Well. It appears that the NLG Doors close fairly flush, indicating the Doors are rigged pretty well, the problem may be in the tracking of the NLG as the Roller at the top of the Gear Assembly moves in that Track (#8). If that is binding, I can see the result being what we saw on Fone’s video.

    Please let us know, Hope that helps!

    George

    N8434M KLPR



  • Fone1guys - how did your landing gear issue turn out? Bob

  • Well i just ran it like 50 times up and down and sometimes it was perfect and sometimes it shuttered. But after this amount of time it seems to working perfectly now. I am assuming it was air in the lines and it worked itself out.

Sign In or Register to comment.